SPECIALISTE DE L’OUTILLAGE POUR LASER TRACKER, STANDARD OU SUR MESURE
ACCUEIL
Support réflecteur
0.5''
1.5''
7/8''
Combiflat
COMPACTFLAT
MULTIFLAT
Speciflat
AIRFLAT
SCELFLAT
Accessoires
ADAPTATEUR
AIMANTS
BOITE POUR SMR
REHAUSSE
STYLET
OPAC
BARRE EXTENSION
PINNULE
Protection
VALISE DE RANGEMENT
CAISSE DE RANGEMENT
Réalisation
FLAT
MIRE POINT CACHÉ
RÉALISATION SPÉCIFIQUE
SMR
MON DEVIS
BLOG
Accueil
>
7/8''
>
persoflat
>
flat conique avec aimant
>
flat conique avec aimant
flat conique avec aimant
ref : FC
Cliquez sur l'image pour l'agrandir
Descriptif :
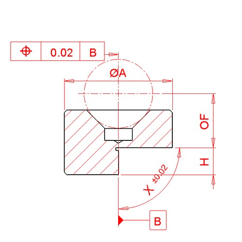
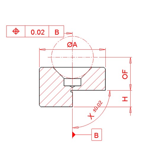
flat conique avec aimant dans le fond du cône pour maintien du SMR (matière INOX)
agrandir
Prix : Nous consulter
Quantité
Remise sur prix unitaire HT
2 à 5
-25 %
6 à 10
-30 %
11 à 20
-35 %
21 à 50
-40 %
Mesure :
OF
mm
(mini 20 maxi 35)
A
mm
(mini 30 maxi 45)
SURFACES D'APPUI
*
Illustration
**
REF
Désignation
Prix unitaire HT
QLXxY
Queue lisse Ø4 à 10 mm ( X=dia queue) Y =longueur queue ( longueur maxi 1.5 le diamètre)
20,00 €
QFXxY
Queue filetée ( X=dia queue) Y =longueur queue ( longueur maxi 1.5 le diamètre)
20,00 €
P45
pour positionnement sur face angulaire X= 45°
100,00 €
P60
pour positionnement sur face angulaire X= 60°
100,00 €
PC90
pour positionnement sur un coin X= 90°. Flat monobloc
150,00 €
PC90
pour positionnement sur un coin X= 90°. Flat Monobloc
150,00 €
PAIX
pour positionnement sur angle intérieur (X=angle °). Flat Monobloc
150,00 €
PCX
Pour positionnement sur un coin avec un angle à définir (X=angle). Flat Monobloc
180,00 €
* Sélectionnez votre surface d'appui en cochant la case correspondante
** Cliquez sur les images pour les agrandir
OPTIONS5
*
Illustration
**
REF
Désignation
Prix unitaire HT
ACIER
flat en acier 110 kg + brunissage
40,00 €
AFA
3 aimants à 120° sur face d'appui
30,00 €
CL
coupe lune, dégagement pour avoir une plus grande amplitude de rotation du SMR
25,00 €
GC
Gorge pour colle
10,00 €
GRAVURE
gravure laser ( texte, logo) nous fournir les indications lors de la commande tarif : 45€ le premier, 25€ à partir du 2ième. Nous consulter pour volume important
25,00 €
pentrate
traitement pentratage (oxydation noire)
50,00 €
* Cocher les cases pour sélectionner les options
** Cliquez sur les images pour les agrandir
Retour à la catégorie
Contact
-
Conditions Générales
-
Qui sommes-nous
LTS EXPRESS - 59 rue de porte bise - 49125 TIERCE
Tel : 02 41 42 67 93 - Fax : 02 41 42 67 88 - Portable : 06 88 76 02 93
Création
et
référencement
WEB-SYSTEME
™ - Tous droits réservés © 2026 -
Photographe Angers
Mesure d'audience ROI statistique webanalytics par