SPECIALISTE DE L’OUTILLAGE POUR LASER TRACKER, STANDARD OU SUR MESURE
ACCUEIL
Support réflecteur
0.5''
1.5''
7/8''
Combiflat
COMPACTFLAT
MULTIFLAT
Speciflat
AIRFLAT
SCELFLAT
Accessoires
ADAPTATEUR
AIMANTS
BOITE POUR SMR
REHAUSSE
STYLET
OPAC
BARRE EXTENSION
PINNULE
Protection
VALISE DE RANGEMENT
CAISSE DE RANGEMENT
Réalisation
FLAT
MIRE POINT CACHÉ
RÉALISATION SPÉCIFIQUE
SMR
MON DEVIS
BLOG
Accueil
>
Accessoires
>
REHAUSSE
>
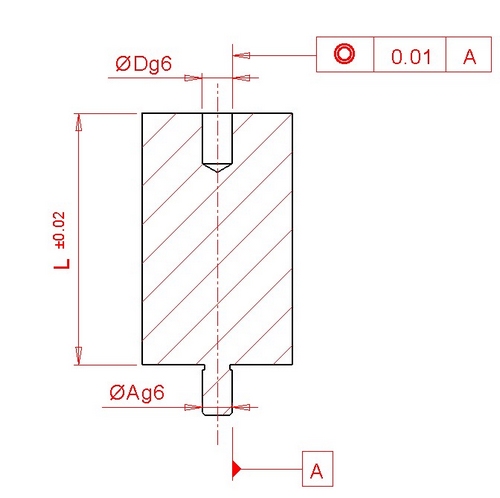
cale épaisseur L=150 à queue lisse avec lamage
>
cale épaisseur L=150 à queue lisse avec lamage
cale épaisseur L=150 à queue lisse avec lamage
ref : CAQL150A
Cliquez sur l'image pour l'agrandir
Descriptif :
cale épaisseur L=150 à queue lisse avec lamage ( A et D doivent être identiques ) matière INOX
Prix : Nous consulter
Retour à la catégorie
Contact
-
Conditions Générales
-
Qui sommes-nous
LTS EXPRESS - 59 rue de porte bise - 49125 TIERCE
Tel : 02 41 42 67 93 - Fax : 02 41 42 67 88 - Portable : 06 88 76 02 93
Création
et
référencement
WEB-SYSTEME
™ - Tous droits réservés © 2026 -
Photographe Angers
Mesure d'audience ROI statistique webanalytics par